Specification
◆ Electrical Parameter
Voltage Class : 400V Connection : Y Fan Power : 600W Fan Voltage : 380V
| Motor Model | Rated Power (KW) |
Rated Current (A) |
Rated Torque (N.m) |
Rated Voltage (V) |
Pole Number (P) |
Rated Frequency (H) |
Rated Speed (r/min) |
Constant Power Max Speed (r/min) |
Max Speed (r/min) |
Rotational Inertia (KG.m2) |
| Z18-4010XD05-XXXX | 10 | 18.9/19.9/22.4 | 191 | 380/360/320 | 4 | 17.4 | 500 | 1000/1500/2000 | 2500 | 0.2046 |
| Z18-4015XD07-XXXX | 15 | 27.3/28.0/32.6 | 191 | 380/370/320 | 4 | 25.8 | 750 | 1500/2200/3000 | 4000 | 0.2046 |
| Z18-4020XD10-XXXX | 20 | 36.0/37.9/42.6 | 191 | 380/360/320 | 4 | 34.1 | 1000 | 2000/3000/4000 | 4500 | 0.2046 |
| Z18-4030XD15-XXXX | 30 | 52.7/55.9/65.7 | 191 | 380/360/305 | 4 | 50.8 | 1500 | 3000/4500/6000 | 6000 | 0.2046 |
◆ Characteristic Curve

◆ Performance Index
| ITEM | INDEX |
| Encoder (optional) | MG-128(Magnetic) |
| CE9-2500(Incremental) | |
| CE9-23B(Absolute) | |
| RZ12-1024(Resolver) | |
| SC-2048(SIN-COS) | |
| Shaft Type | G : Without Keyslot |
| J : With Keyslot | |
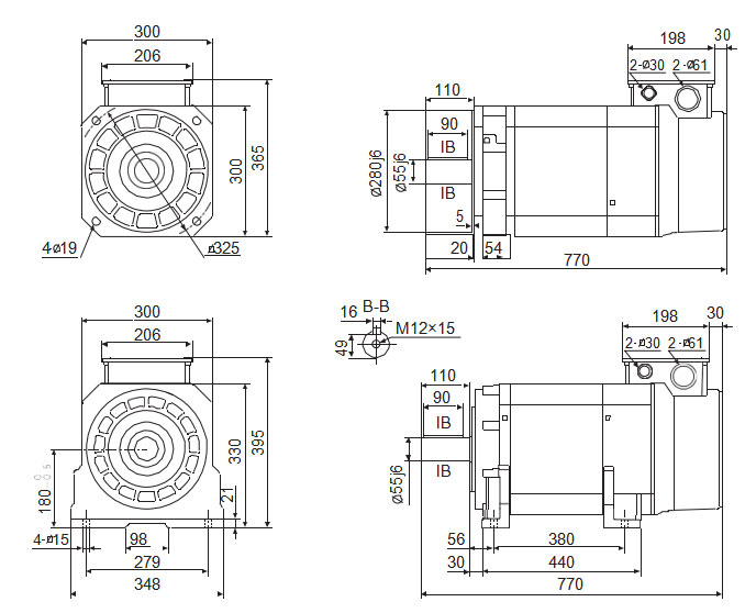
| Mounting Type | B3 B5 B35 |
| Weight / Gross | 221 (233) kg |
| Protection Class | IP55 |
| Insulation Class | F Class |
| Rated Temperature Rise |
90K |
| Vibration Class | A |
| Noise | ≤70dB(A) |
| Environment | -15~45℃ |
| Environment | ≤95%RH |

Product Presentation

Model Explanation
| No | ITEM | Description | Model Meaning |
| 1 | Plant Code | Z18 : Motor Series Code | CTB Company Product |
| 2 | Voltage Class | 2 : 200V 4 : 400V | 400V |
| 3 | Power Code | SeeStandard Specification Table | 7.5KW |
|
4 |
Encoder Code |
Code Encoder Type B : Without Encoder C : Magnetic Encoder 128T 256T (Standard Configuration) G : Incremental Encoder 1024P 2500P 8192P R : Resolver 1024P S : Sin-Cos Encoder 2048P A : Absolute Encoder 23 bit |
Inbuilt Incremental Encoder |
|
5 |
Motor Frame Size Code |
Code Flange Size (Length x Width) mm A : 175×175 E : 320×320 B : 205×205 F : 380×380 C : 265×265 G : 480×480 D : 300×300 H : 580×580 |
B Frame Size |
|
6 |
BasicSpeed Code |
Code Speed r/min Code Speed r/min 05 : 500 45 : 4500 07 : 750 60 : 6000 10 : 1000 80 : 8000 15 : 1500 90 : 9000 20 : 2000 A0 : 10000 30 : 3000 A2 : 12000 40 : 4000 A5 : 15000 |
Rated Speed:1500r/min |
|
7 |
Constant Power Max SpeedCode |
Constant Power Max Speed:6000 r/min |
|
|
8 |
Max SpeedCode |
Code Speed r/min L : 3000 HF : 10000 (A B Motor Base) M : 6000 F : 12000 (A B Motor Base) H : 8000 FF : 15000 (A Motor Base) |
Max Speed:8000 r/min |
|
9 |
Mounting Type Code |
3 : Horizontally – Mounted 5 : Flanged – Mounting 35 : Horizontally – Flanged Mounting |
Flanged Mounting |
|
10 |
Motor Shaft Structure |
G : Without Keyslot J : With Keyslot |
Without Keyslot |
