◆ Electrical Parameter
Voltage:400V Pole:8 Fan Power:1.1kW Fan Voltage:380V
| Motor model | Rated power (kW) | Rated torque (N.m) | Rated current (A) | Rated frequency (Hz) | Rated speed (r/min) | Maximum speed (r/min) | Anti- electromotive (V/krpm) | Rotational inertia (kg.m2) | 
| P18-4027FX05-10XX | 27 | 516 | 50 | 33.3 | 500 | 1000 | 486 | 0.3902 | 
| P18-4037FX07-15XX | 37 | 471 | 69 | 50 | 750 | 1500 | 324 | 0.3902 | 
| P18-4048FX10-20XX | 48 | 458 | 86 | 66.7 | 1000 | 2000 | 253 | 0.3902 | 
| P18-4063FX15-30XX | 63 | 401 | 113 | 100 | 1500 | 3000 | 172 | 0.3902 | 
◆ Characteristic Curve

◆ Performance Index
| ITEM | INDEX | 
| ENCODER (OPTIONAL) | MG-256(MAGNETIC) | 
| CE9-23B(ABSOLUTE) | |
| RZ12-1024(RESOLVER) | |
| SC-2048(SIN-COS) | |
| SHAFT TYPE | G:WITHOUT KEYSLOT | 
| J:WITH KEYSLOT | |
| MOUNTING TYPE | B3 B5 B35 | 
| WEIGHT/GROSS WEIGHT | 341 / 353kg | 
| PROTECTION CLASS | IP55 | 
| INSULATION CLASS | F CLASS | 
| RATED TEMERATURE RISE | 90 K | 
| VIBRATION CLASS | S | 
| NOISE | ≤70dB(A) | 
| ENVIRONMENT TEMPERATURE | -15~45℃ | 
| ENVIRONMENT HUMIDITY | ≤95%RH | 
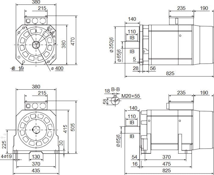
◆ Shape And Installation Size

Product Presentation

Model description
| NO | Name | Description | Model Meaning | 
| 1 | Product Series | P18:P18 series permanent magnet synchronous servo motor | Made By CTB | 
| 2 | Voltage Class | 2:200V class 4:400V class | 400V Class | 
| 3 | Power Code | see standard configuration form | 7.5kW | 
| 4 | Motor Frame Code | Motor frame   flande size mm   Motor frame   flange size mm A: 175×175 E: 320×320 B: 205×205 F: 380×380 C: 265×265 G: 480×480 D: 300×300 H: 580×580 | B Motor Frame | 
| 5 | Encoder Type | Code Encoder Type B: Wthout Encoder C: Magnetic Encoder 128T、256T G: Incremental Encoder 1024P、 2500P、6000P、8192P R: Resolver 1024P S: Sin-cos Encoder 2048P A: Absolute Encoder 13bit、17bit 、23bit | Built-in Magnetic Encoder | 
| 6 | Rated Speed Code | Code  speed r/min   Code  speed r/min 05: 500 45: 4500 07: 750 60: 6000 10: 1000 80: 8000 15: 1500 90: 9000 20: 2000 A0: 10000 30: 3000 A2: 12000 40: 4000 A5: 15000 | Rated Speed:1500 r/min | 
| 7 | Maximum Speed Code | Maximum Speed:3000 r/min | |
| 8 | Mounting Method Code | 3:Horizontally-mounting 5:Flanged-mounting 35:Horizontally-Flanged | Flange Mounting | 
| 9 | Motor Shaft Type | G: Without keyslot J: With keyslot | Without Keyslot | 

 
     
                     
                        