◆ Electrical Parameter
Voltage:400V Pole:8 Fan Power:600W Fan Voltage:380V
| Motor model | Rated power (kW) |
Rated torque (N.m) |
Rated current (A) |
Rated frequency (Hz) |
Rated speed (r/min) |
Maximum speed (r/min) |
Anti- electromotive (V/krpm) |
Rotational inertia (kg.m2) |
| P18-4021EX05-10XX | 21 | 401 | 39 | 33.3 | 500 | 1000 | 506 | 0.2489 |
| P18-4030EX07-15XX | 30 | 382 | 57 | 50 | 750 | 1500 | 329 | 0.2489 |
| P18-4037EX10-20XX | 37 | 353 | 70 | 66.7 | 1000 | 2000 | 253 | 0.2489 |
| P18-4050EX15-30XX | 50 | 318 | 92 | 100 | 1500 | 3000 | 176 | 0.2489 |
◆ Characteristic Curve

◆ Performance Index
| ITEM | INDEX |
| ENCODER (OPTIONAL) | MG-256(MAGNETIC) |
| CE9-23B(ABSOLUTE) | |
| RZ12-1024(RESOLVER) | |
| SC-2048(SIN-COS) | |
| SHAFT TYPE | G:WITHOUT KEYSLOT |
| J:WITH KEYSLOT | |
| MOUNTING TYPE | B3 B5 B35 |
| WEIGHT/GROSS WEIGHT |
243 / 255kg |
| PROTECTION CLASS | IP55 |
| INSULATION CLASS | F CLASS |
| RATED TEMERATURE RISE |
90 K |
| VIBRATION CLASS | S |
| NOISE | ≤70dB(A) |
| ENVIRONMENT TEMPERATURE |
-15~45℃ |
| ENVIRONMENT HUMIDITY |
≤95%RH |
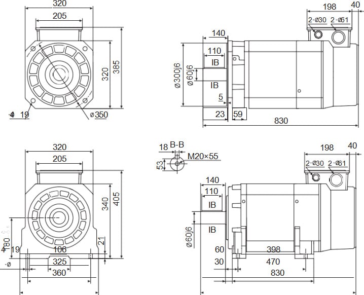
◆ Shape And Installation Size

Product Presentation

Model description
| NO | Name | Description | Model Meaning |
|
1 |
Product Series |
P18:P18 series permanent magnet synchronous servo motor |
Made By CTB |
|
2 |
Voltage Class |
2:200V class 4:400V class | 400V Class |
|
3 |
Power Code |
see standard configuration form |
7.5kW |
|
4 |
Motor Frame Code |
Motor frame flande size mm Motor frame flange size mm A: 175×175 E: 320×320 B: 205×205 F: 380×380 C: 265×265 G: 480×480 D: 300×300 H: 580×580 |
B Motor Frame |
|
5 |
Encoder Type |
Code Encoder Type B: Wthout Encoder C: Magnetic Encoder 128T、256T G: Incremental Encoder 1024P、 2500P、6000P、8192P R: Resolver 1024P S: Sin-cos Encoder 2048P A: Absolute Encoder 13bit、17bit 、23bit |
Built-in Magnetic Encoder |
|
6 |
Rated Speed Code |
Code speed r/min Code speed r/min 05: 500 45: 4500 07: 750 60: 6000 10: 1000 80: 8000 15: 1500 90: 9000 20: 2000 A0: 10000 30: 3000 A2: 12000 40: 4000 A5: 15000 |
Rated Speed:1500 r/min |
|
7 |
Maximum Speed Code |
Maximum Speed:3000 r/min |
|
|
8 |
Mounting Method Code |
3:Horizontally-mounting 5:Flanged-mounting 35:Horizontally-Flanged |
Flange Mounting |
|
9 |
Motor Shaft Type |
G: Without keyslot J: With keyslot |
Without Keyslot |
